WD80、WD100、WD120、型圆柱蜗杆减速机(80~120)安装尺寸JB/ZQ4390-79

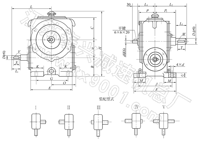
圆柱蜗杆减速器的外形、安装尺寸及装配形式
WD80~WD120外形尺寸


WD80~WD120减速器安装尺寸见下表
型号
a
B
C
D
D1
E
F
G
H
J
K
L
L1
L2
L3
L4
WD80
80
90
105
20
35
190
200
150
305
160
60
190
50
158
58
90
WD100
100
110
135
25
40
240
210
180
375
170
70
225
60
182
82
100
WD120
120
120
150
30
45
270
220
200
420
180
80
275
80
197
82
110

型号
M
O
P
P1
S
T
U
V(b×h)
W(b×h)
d
转动惯量kg·m2
质量kg
WD80
60
120
83.5
100
40
50
20
6×6
10×8
18
0.265×10~3
36.5~38.5
WD100
70
145
90
100
40
60
20
8×7
12×8
18
0.84×10~3
53~65
WD120
80
165
102
115
50
60
20
8×7
14×9
18
1.79×10~3
75.4~81.7
 
WD150、WD180、WD210、WD250、WD300、WD360、型圆柱蜗杆减速机(150~360)安装尺寸JB/ZQ4390-79
WD150~WD360外形尺寸
 
WD150~WD360减速器安装尺寸见下表
型号
a
B
C
D
D1
E
F
G
H
J
K
L
L1
L2
L3
L4
WD150
150
150
165
35
65
370
340
310
513
280
100
303
58
315
105
190
WD180
180
180
190
40
70
430
360
360
593
300
120
362
82
345
105
215
WD210
210
210
215
45
80
490
400
400
683
320
140
412
82
385
130
225
WD250
250
250
265
50
90
570
430
440
813
360
160
442
82
395
130
240
WD300
300
300
320
70
120
670
500
520
968
420
200
535
105
465
165
270
WD360
360
360
370
80
150
840
610
650
1138
440
240
640
130
575
200
340

型号
M
O
P
P1
Q
R
S
T
U
V(b×h)
W(b×h)
d
转动惯量kg·m2
质量/kg
WD150
90
230
180
210
455
200
50
100
30
10×8
18×11
22
3.11×10~3
146~163
WD180
90
270
205
240
515
230
60
100
30
12×8
20×12
22
7.63×10~3
295~327.5
WD210
100
300
215
255
585
250
70
140
30
14×9
22×14
22
23.50×10~3
298~344
WD250
120
340
225
265
665
270
80
125
40
14×9
25×14
26
79×10~3
480~513
WD300
150
405
255
300
765
310
90
140
50
20×12
32×18
32
143×10~3
771~904
WD360
180
490
325
375
905
360
110
180
50
22×14
36×20
39
223.13×10~3
1195~1395

 

WD80、WD100、WD120、WD150、WD180、WD210、WD250、WD300、WD360型减速机传动比及输出转矩表JB/ZQ4390-79

WD减速器传动比及输出转矩表

型号
转矩
速比
9.67
11.67
13.67
15.67
17.67
19.5
21.5
23.5
25.5
27.5
30
33
37
41
47
53
60
WD
80
55.9
55
53
41.2
48.1
54.9
52
41.2
49.1
45.2
56
56
49.1
53
41.2
48.1
100
111
105
106
98.1
93.1
101
89.2
98.1
77.5
91.1
107
107
103
99
98.1
93.2
69.6
120
188.3
186.4
172.5
163.8
139
169.8
168.8
165
158
158
188.3
166
183.5
172.5
164.8
139.2
130.7
150
344
332
335.5
328.5
272
341
301
328.5
295
296
336.5
360
347
335.5
328.5
271
237.5
180
596.4
680
586
561
475
524
527
561
537
640
565
535
584.9
555
471
506
210
1009.4
864.4
920
877
744.8
820
899
878
840.9
877
1006.5
887
950.6
921
877
744.8
279
250
1728
1700
1352
1254
1328
1577
1313
1254
1470
1136
1725
15.078
1695
1352
1254
1332
1426
300
2832
2656
2685
2567
2018
2734
2273
2568
2460
2371
2783
2724
2773
2695
2568
2018
1881
360
4704
4606
4282
4429
3498
4723
4184
4429
4253
4665
4576
4495
4282
4429
3488
3920