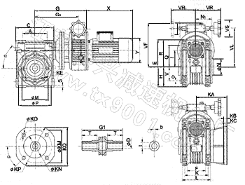
| Size |
a |
a1 |
A |
K |
KC |
KE |
KM |
KN(HB) |
KO |
M |
N(h8) |
N1 |
O |
Q |
S |
V |
b |
D(H7) |
t |
T |
F |
FB |
FL |
F |
FB |
FL |
F |
FB |
FL |
F |
FB |
FL |
| 40/0.18 |
45o |
45o |
70 |
60 |
4 |
5 |
4 |
M6x8(n,4) |
87 |
115 |
87 |
60 |
95 |
60 |
9(n,4) |
9.5(n,4) |
9(n,4) |
75 |
60 |
36.5 |
6.5 |
55 |
6.5 |
35 |
6(6) |
18(19) |
20.8(21.8) |
26 |
| 50/0.18 |
45o |
45o |
80 |
70 |
5 |
5 |
5 |
M8x10(n,4) |
90 |
130 |
90 |
70 |
110 |
70 |
11(n,4) |
9.5(n,4) |
11(n,4) |
85 |
70 |
43.5 |
8.5 |
64 |
7 |
40 |
8(8) |
25(24) |
28.3(27.3) |
30 |
| 50/0.37 |
| 63/0.37 |
45o |
45o |
100 |
85 |
6 |
5 |
6 |
M8x14(n,8) |
150 |
165 |
150 |
115 |
130 |
115 |
11(n,4) |
11(n,4) |
11(n,4) |
95 |
80 |
53 |
8.5 |
80 |
8 |
50 |
8(8) |
25(28) |
28.3(31.3) |
36 |
| 63/0.55 |
| 63/0.75 |
| 75/0.37 |
45o |
45o |
120 |
90 |
6 |
- |
- |
M8x14(n,8) |
165 |
- |
- |
130 |
- |
- |
14(n,4) |
- |
- |
115 |
95 |
57 |
11 |
93 |
10 |
60 |
8(10) |
28(35) |
31.3(38.3) |
40 |
| 75/0.55 |
| 75/0.75 |
| 75/1.1 |
| 75/1.5 |
| 90/0.55 |
45o |
45o |
140 |
100 |
6 |
- |
- |
M10x18(n,8) |
175 |
- |
- |
152 |
- |
- |
14(n,4) |
- |
- |
130 |
110 |
67 |
13 |
102 |
11 |
70 |
10(10) |
35(38) |
38.3(41.3) |
45 |
| 90/0.75 |
| 90/1.1 |
| 90/1.5 |
| 110/1.1 |
45o |
45o |
170 |
115 |
6 |
- |
- |
M10x18(n,8) |
230 |
- |
- |
170 |
- |
- |
14(n,8) |
- |
- |
165 |
130 |
74 |
14 |
125 |
14 |
85 |
12 |
42 |
45.3 |
50 |
| 110/1.5 |
| 110/2.2 |
| 110/3.0 |
| 110/4.0 |
| 130/1.5 |
45o |
45o |
200 |
120 |
6 |
- |
- |
M12x21(n,8) |
255 |
- |
- |
180 |
- |
- |
16(n,8) |
- |
- |
215 |
180 |
81 |
16 |
140 |
15 |
100 |
14 |
45 |
48.8 |
60 |
| 130/2.2 |
| 130/3.0 |
| 130/4.0 |
| Size |
C |
E |
F |
G |
G1 |
G3 |
H |
I |
KA |
KB |
KP |
KQ |
L |
P |
R |
VF |
VL |
VS |
VR |
VR1 |
| F |
FB |
FL |
F |
FB |
FL |
F |
FB |
FL |
F |
FB |
FL |
| 40/0.18 |
100 |
121.5 |
43 |
183 |
78 |
134 |
50 |
40 |
67 |
76.5 |
97 |
7 |
9 |
7 |
110 |
140 |
110 |
95 |
- |
95 |
71 |
87 |
71.5 |
151 |
118 |
85 |
110 |
110 |
| 50/0.18 |
120 |
144 |
49 |
193 |
92 |
145 |
60 |
50 |
90 |
87.5 |
120 |
9 |
10 |
9 |
125 |
160 |
125 |
110 |
- |
110 |
85 |
100 |
84 |
161 |
128 |
85 |
110 |
110 |
| 50/0.37 |
190 |
154 |
173 |
140 |
85 |
110 |
110 |
| 63/0.37 |
144 |
174 |
67 |
205 |
112 |
169 |
72 |
63 |
82 |
99 |
112 |
10 |
11 |
10 |
180 |
200 |
180 |
142 |
- |
142 |
103 |
110 |
102 |
186 |
153 |
85 |
110 |
110 |
| 63/0.55 |
234 |
181 |
203 |
170 |
110 |
120 |
120 |
| 63/0.75 |
234 |
181 |
203 |
170 |
110 |
120 |
120 |
| 75/0.37 |
172 |
205 |
72 |
223 |
120 |
187 |
86 |
75 |
111 |
- |
- |
13 |
- |
- |
200 |
- |
- |
170 |
- |
- |
112 |
140 |
119 |
198 |
165 |
85 |
110 |
110 |
| 75/0.55 |
252 |
198 |
215 |
182 |
110 |
120 |
120 |
| 75/0.75 |
252 |
198 |
215 |
182 |
110 |
120 |
120 |
| 75/1.1 |
259.5 |
207.5 |
199 |
177 |
110 |
150 |
- |
| 75/1.5 |
300.5 |
227.5 |
219 |
197 |
110 |
150 |
- |
| 90/0.55 |
208 |
238 |
74 |
269 |
140 |
215 |
103 |
90 |
111 |
- |
- |
13 |
- |
- |
210 |
- |
- |
200 |
- |
- |
130 |
160 |
135 |
230 |
197 |
110 |
120 |
120 |
| 90/0.75 |
269 |
215 |
230 |
197 |
110 |
120 |
120 |
| 90/1.1 |
276.5 |
224.5 |
214 |
192 |
110 |
150 |
- |
| 90/1.5 |
317.5 |
244.5 |
234 |
212 |
110 |
150 |
- |
| 110/1.1 |
252.5 |
295 |
- |
307 |
155 |
255 |
128 |
110 |
131 |
- |
- |
15 |
- |
- |
280 |
- |
- |
260 |
- |
- |
144 |
200 |
168 |
234 |
212 |
110 |
120 |
- |
| 110/1.5 |
348 |
275 |
254 |
232 |
110 |
150 |
- |
| 110/2.2 |
368 |
291 |
298 |
260 |
110 |
160 |
- |
| 110/3.0 |
368 |
291 |
298 |
260 |
110 |
160 |
- |
| 110/4.0 |
368 |
291 |
298 |
260 |
110 |
160 |
- |
| 130/1.5 |
292.5 |
335 |
- |
368 |
170 |
295 |
148 |
130 |
140 |
- |
- |
15 |
- |
- |
320 |
- |
- |
290 |
- |
- |
155 |
250 |
188 |
274 |
252 |
110 |
150 |
- |
| 130/2.2 |
388 |
311 |
318 |
280 |
110 |
160 |
- |
| 130/3.0 |
388 |
311 |
318 |
280 |
110 |
160 |
- |
| 130/4.0 |
388 |
311 |
318 |
280 |
110 |
160 |
- |
|