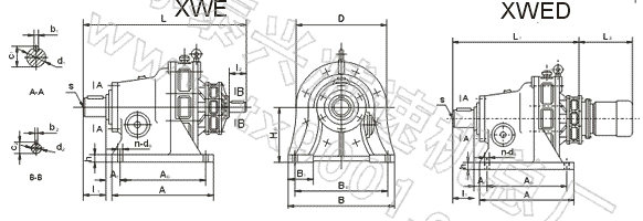
Appearance and installation dimension
(mm)
Frame
|
Centre
height |
Installationdimension |
Shaft end dimension |
A1 |
A0 |
B1 |
B0 |
h |
s |
Hole
|
Output shaft |
Intput shaft |
n |
d0 |
d1 |
b1 |
c1 |
l1 |
d2 |
b2 |
c2 |
l2 |
31 |
140
|
96 |
100 |
55 |
250 |
20 |
M8 |
4 |
16 |
35
|
10 |
38 |
55 |
15 |
5 |
17 |
25 |
42 |
150 |
95 |
145 |
65 |
290 |
22 |
M10 |
45 |
14 |
48.5 |
74 |
53 |
160 |
115 |
150 |
75 |
370 |
25 |
M12 |
55 |
16 |
59 |
91 |
18 |
6 |
20.5 |
35 |
63 |
200 |
36 |
275 |
380 |
30 |
22 |
65 |
18 |
69 |
89 |
74 |
220 |
320 |
85 |
420 |
80 |
22 |
85 |
109 |
22 |
24.5 |
40 |
84 |
250 |
35 |
380 |
120
|
480 |
35 |
M16 |
90 |
25 |
95
|
120 |
85 |
30 |
8 |
33 |
45 |
95 |
290 |
45 |
480 |
560 |
40 |
M20 |
26 |
100 |
28
|
106 |
141 |
106 |
325 |
80 |
500 |
630 |
45 |
30 |
110 |
116 |
150 |
35 |
10 |
38 |
54 |
116 |
420 |
122 |
330×2 |
160 |
800 |
50 |
2-M20 |
32 |
130 |
32 |
137 |
202 |
117 |
6 |
40 |
12 |
43 |
65 |
(mm)
Frame |
Outerside dimension |
Weight
kg |
A |
B |
H |
D |
Double Shaft style
|
Flange style
|
L |
L1 |
L2
|
31 |
150
|
290 |
240 |
200 |
310 |
258 |
According
to motor size |
37 |
42 |
195 |
330 |
275 |
240 |
384 |
326 |
75 |
53 |
260 |
420 |
356 |
300 |
457 |
383 |
94 |
63 |
335 |
430 |
425 |
340 |
519 |
447 |
148 |
74 |
380 |
470 |
460 |
360 |
589 |
508 |
193 |
84 |
440 |
530
|
529 |
430
|
633 |
552 |
270 |
85 |
656 |
566 |
310 |
95 |
560 |
620 |
614 |
500 |
745 |
655 |
485 |
106 |
600 |
690 |
709 |
580 |
855 |
750 |
650 |
116 |
810 |
880
|
883
|
710
|
1066 |
958 |
1232 |
117 |
1081 |
963 |
1280 |
Note:Matching tolerance of shaft d1/d2 is h6 |