YZ型油冷式摆线针轮电动滚筒主要技术参数
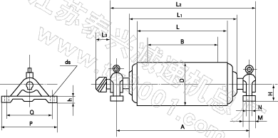
YZ型油冷(油浸)式摆线电动滚筒外形图
YZ型油冷式摆线电动滚筒外形尺寸表
YZ型油冷式摆线电动滚筒系列参数表