YZWII,YDWII型外装式电动滚筒主要技术参数

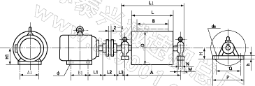
YZWII,YDWII型外装式电动滚筒外型尺寸表


YZWII,YDWII型外装式电动滚筒系列参数表