泰兴减速机

 
泰兴减速机
·圆柱齿轮减速器(硬齿面减速机)系列
·圆柱齿轮减速器(中硬齿面减速机)系列
·圆柱齿轮减速器(软齿面减速机)系列
·行星齿轮减速机系列
 辊道马达减速器
 XX型回转行星齿轮减速机
 NGW-QJ型行星齿轮减速器
 NGW-S型行星齿轮减速器(三级)
 NGW-S型行星齿轮减速器(两级)
 NGW-L型行星齿轮减速器(两级)
 NGW-L型行星齿轮减速器(单级)
 三级(NGW73-NGW123)行星齿轮
 两级(NGW42-NGW122)行星齿轮
 单级(NGW11-NGW121)行星齿轮
 MB行星摩擦式机械无级变速机
 P系列行星齿轮减速机
 PL系列精密行星减速机
 PS系列精密行星减速机
 WPL系列直角型精密行星减速机
 WPS系列直角型精密行星减速机
 NAD行星齿轮减速机
 NAF行星齿轮减速机
 NBD行星齿轮减速机
 NBF行星齿轮减速机
 NBZD行星齿轮减速机
 NBZF行星齿轮减速机
 NCD行星齿轮减速机
 NCF行星齿轮减速机
 NCZD行星齿轮减速机
 NCZF行星齿轮减速机
 NGW行星齿轮减速器
 新一代NGW行星齿轮减速器
 NAZD行星减速器
 NAZF行星齿轮减速机
 TPB模块化行星减速机
 新一代TSB、TMB行星减速机
·三合一齿轮减速机系列
·星轮减速机(HJW、HJL、HJY、HNW、HNL、HNY)系列
·摆线针轮减速机系列
·TW、TWC系列轴装式减速机
·TZ系列立式粮油机械用减速机
·电动滚筒系列
· 蜗轮蜗杆减速机系列
·WP系列蜗轮减速机
·平面包络环面蜗杆减速机
·平面二次包络环面蜗杆减速机
·K系列减速机
·R系列减速机
·S系列减速机
·F系列减速机
·三环减速机系列
·丝杆升降机
·特殊齿轮减速机
·斜齿轮减速电机
·棘轮棘爪硬齿面减速机
·M系列重载型减速机
·其它系列减速机
销售热线:0523-8551 1968
 
点击查看图片
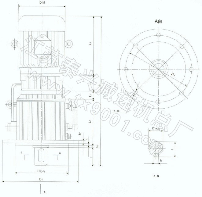
产品名称:NGW-L型行星齿轮减速器(两级)
产品类别:起重用硬齿面减速机
产品型号:NGW-L

查看产品图纸尺寸

 
产品简介:

产品由NGW—L型单级L11-L71,两级L42—L122两种系列组成,适用于;台金起重运输轻化及通用机械设备,适用条件如下:
高速轴最高转速不超过1 500r/mln。
齿轮圆周速度不超过15m/s。
工作环境温度为-40℃~45℃,低于℃,启动前润滑油应预热至0℃以上,可正反两方向运转。

点击查看大图

点击查看大图

点击查看大图

点击查看大图

点击查看大图

四、减速器的选用方法
1.选用NGW型单级行星减速器时,应根据使用条件:

Px-选用输入功率

Ps-实际输入功率

Tx-选用输入扭矩

K1-使用系数

K2-与润滑条件有关的系数

点击查看大图

点击查看大图

五、带电机两极减速器的选用
两极减速器选用方法和单级减速器相同.但需根据承载能力匹配电机。
1.配用电机,丫系列立式异步电动机或防爆异步电动机。
2、为选用减速器方便起见.电动机和减速器的匹配分下列三种情况编制和选用表:
a.减速器入轴功率为电机功率的0.94—1.4倍时,即按单级选用方法计算后,K1。K2之乘积小于1.4者,可以电机全容量选用。以”○”表示,并定名为基本规格。常用于平稳连续或轻度;中击的工作负荷。
b.减速器入轴功率为电机功率的1.4—2.5倍,即按单级选用方法计算后,K1.K2之乘积小于2.5者,可以电机全容量选用。以“△”表示,多用于中等冲击或严重冲击的工作负荷。
c、a、b两项之具体倍数值,应以表列功率值同电机功率值比较而定。
d、配用电机功率为减速器入轴功率的1.1-1.2倍时,应以单级选用方法按输出许用扭矩选用.并在减速器高速轴设安全装置,以防过载运转。

版权所有 江苏省泰兴减速机总厂 Jiangsu TaiXing Reducer Factory. All Rights Reserved.
地址:中国江苏泰兴姚王镇泰姚北路18号 全国热线:400-799-9968 电话:0523-8551 1968
传真:0523-8575 0668 邮箱:1156815346@qq.com 网址:www.tx1983.com