泰兴减速机

 
泰兴减速机
·圆柱齿轮减速器(硬齿面减速机)系列
 ZLY、ZLZ、ZLYJ硬齿面减速机
 ZSY、ZSZ、ZSJ硬齿面减速机
 DBY、DBZ、DBYK、DFY硬齿面减速机
 DCY、DCZ硬齿面减速机
 ZJY轴装式硬齿面减速机
 TY同轴硬齿面减速机
 CJ(Y)系列齿轮减速器
 硬齿面ZSYJ系列
 ZDY、ZDZ硬齿面减速机
 HB系列大功率硬齿面减速机
 TCJS、TCJY硬齿面减速机
 TD、TA、TM硬齿面减速机
 TLC系列齿轮减速器
 ZFY平行轴圆柱齿轮减速器
 重载模块式圆锥圆柱齿轮减速器
 DFY四级硬齿面圆锥圆柱齿轮减速机
 MBY、JDX系列球磨机,水泥磨,煤磨专用减速机
 TC型平行轴齿轮减速器
 TCS型垂直轴轴装减速器
 TA系列齿轮减速器
 HNK型圆弧齿轮减速机
 TF、TFK圆锥、圆柱齿轮减速机
 LC硬齿面减速机
 DFYK系列硬齿面减速机
 DCYK减速机
 ZSSY系列硬齿面圆柱齿轮减速机
 捏炼机用减速机
 密炼机用减速机
 M系列密炼机专用齿轮箱
 橡塑密炼机主减速机
·圆柱齿轮减速器(中硬齿面减速机)系列
·圆柱齿轮减速器(软齿面减速机)系列
·行星齿轮减速机系列
·三合一齿轮减速机系列
·星轮减速机(HJW、HJL、HJY、HNW、HNL、HNY)系列
·摆线针轮减速机系列
·TW、TWC系列轴装式减速机
·TZ系列立式粮油机械用减速机
·电动滚筒系列
· 蜗轮蜗杆减速机系列
·WP系列蜗轮减速机
·平面包络环面蜗杆减速机
·平面二次包络环面蜗杆减速机
·K系列减速机
·R系列减速机
·S系列减速机
·F系列减速机
·三环减速机系列
·丝杆升降机
·特殊齿轮减速机
·斜齿轮减速电机
·棘轮棘爪硬齿面减速机
·M系列重载型减速机
·其它系列减速机
销售热线:0523-8551 1968
 
 
产品名称:NGW行星齿轮减速器
产品类别:行星齿轮减速机系列
产品型号

查看产品图纸尺寸

产品概述:

特点和适用范围
   结构特点
   NGW型行星齿轮减速机主要构建有太阳轮、行星轮、内齿圈、行星架。
   为了使三个行星轮的载荷均匀分配,采用了齿式浮动机构,即太阳轮或行星架浮动,或者太阳轮、行星架两者同时浮动。减速机中的齿轮为直齿渐开线圆柱齿轮。具有一下特点:
   1、体积小、重量轻、在相同情况下,比普通渐开线圆柱齿轮减速机重量轻1/2以上,体积小1/2~1/3。
   2、传动效率高:单级行星齿轮减速机达97%~98%;两级行星齿轮减速机达94%~96%;三级行星齿轮减速机91%~94%。
   3、传动功率范围大:可以从小于1KW至1300KW,甚至更大。
   4、传动范围大:i=2.8~2000
   5、适应性强且耐用。主要零件均采用优质合金钢经渗碳淬火或氮化处理,行星齿轮减速机运转平稳、噪音小、使用受命10以上。
   6、用途和适用条件
   NGW型行星齿轮减速器有单级(NGW11—NGW121),两级(NGW42—NGW122)三级 (NGW73—NGW123)三个卧式系列。主要用于冶金、矿山、起重运输机械设备,也可用于其它类似工矿条件下作动力传动。
   高速轴最高速不超过1500r/min
   齿轮圆周速度不超过10m/s;
   工作环境温度为-40℃—45℃;
   可正反两向运转。NGW型行星齿轮减速器的一个重要特点是,内啮合于外啮合之间共用一个行星轮,NGW就是由“内、公、外”三字的汉语拼音的第一个字母组成的。

 

 

本系列减速器的规格的规定是根据传动比、功率和扭矩大小划分成12个机座号,及单级、双级和三级传动,共有27个机座号,58种速比,详细如下:

传动类别 型号规格 传动比 组成台数
机座号 种数 范围 种数
单级 NGW42—NGW121 12 2.8—12.5 14 12×14=168
双级 NGW42—NGW122 9 14—160 22 9×22=198
三级 NGW73—NGW123 6 180—200 22 6×22=132
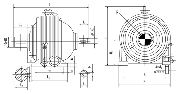
NGW单级减速器外形尺寸(JB1799-76)

 

 

型号 规格 公称 传动比i0 外形及中心高 轴伸 地脚尺寸 质量 kg
L B H H0 R d D l1 l2 t1 b1 t2 b2 L1 L2 L3 L0 B1 d1 h
NGW 11 2.8-4.5 530 280 295 125 0 -0.5 125 35 50 55 85 38.5 10 55 16 215 165 25 105 220 M16 20 53
5-12.5 477 30 50 33 8 57 50
NGW 21 2.8-4.5 604 305 325 140 0 -0.5 140 40 60 70 105 43.5 12 65.5 18 245 185 30 115.5 235 M20 25 80
5-12.5 535 35 55 38.5 10 60.5 73
NGW 31 2.8-4.5 632 350 365 160 0 -0.5 160 45 70 70 105 49 14 76 20 260 200 30 125 270 M20 25 100
5-12.5 569 40 70 43.5 12 62 98
NGW 41 2.8-4.5 734 380 425.5 180 0 -0.5 180 50 80 85 105 55 16 87 24 290 230 30 156 320 M24 30 147
5-12.5 634 45 70 50 14 72 128
NGW 51 2.8-4.5 845 420 463.5 200 0 -0.5 200 55 90 85 115 60 16 97 24 310 250 30 196.5 360 M24 35 213
5-12.5 729 50 85 55 16 80.5 193
NGW 61 2.8-4.5 886 475 524 225 0 -0.5 225 60 100 105 125 65.5 18 108 28 360 290 35 202.5 405 M30 40 289
5-12.5 731 55 85 60 16 67.5 264
NGW 71 2.8-4.5 933 535 574 250 0 -0.5 250 65 110 105 140 70.5 18 119 32 375 305 35 213 465 M30 40 359
5-12.5 800 60 105 65.5 18 80 301
NGW 81 2.8-4.5 1042 590 634 280 0 -0.5 280 75 120 115 160 81 20 129 32 440 350 45 219 510 M36 45 449
5-12.5 899 65 105 70.5 18 86 399
NGW 91 2.8-4.5 1141 660 721 315 0 -0.5 315 85 130 125 165 92 24 140 36 475 385 45 225.5 570 M36 45 604
5-12.5 976 75 115 81 20 70.5 542
NGW 101 2.8-4.5 1261 745 800 355 0 -0.5 355 95 150 140 200 103 28 161 40 525 425 50 251 645 M42 50 810
5-12.5 1073 85 125 92 24 78 732
NGW 111 2.8-4.5 1355 840 891 400 0 -0.5 400 105 170 160 200 113 28 181 40 580 480 50 263 740 M42 55 1060
5-12.5 1145 95 140 103 28 73 990
NGW 121 2.8-4.5 1500 950 1013 450 0 -0.5 455 115 190 160 240 124 32 202 45 680 560 60 288 820 M48 60 1638
5-12.5 1286 105 160 113 28 73 1475

 

 

 

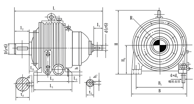
型号 规格 公称传 动比i0 外形及中心高 轴伸 地脚尺寸 质量 /kg
L B H H0 R d D l1 l2 t1 b1 t2 b2 L1 L2 L3 L0 B1 d1 h
NGW 42 14-22.5 687 380 425.5 180 0 -0.5 180 35 80 55 105 28.5 10 87 24 290 230 30 72 320 M24 30 128
25-160 687 30 55 33 8 130
NGW 52 14-22.5 767 420 463.5 200 0 -0.5 200 40 90 70 115 43.5 12 97 24 310 250 30 80.5 360 M24 35 244
25-160 752 35 55 38.5 10 241
NGW 62 14-22.5 805.5 475 524 225 0 -0.5 225 45 100 70 125 49 14 108 28 360 290 35 67.5 405 M30 40 291
25-160 805.5 40 70 43.5 12 279
NGW 72 14-22.5 890 535 574 250 0 -0.5 250 50 110 85 140 55 16 119 32 375 305 35 80 465 M30 40 350
25-160 875 45 70 49 14 350
NGW 82 14-22.5 976.5 590 634 280 0 -0.5 280 55 120 85 160 60 16 129 32 440 350 45 86 510 M36 45 488
25-160 976.5 50 85 55 16 460
NGW 92 14-22.5 1040 660 721 315 0 -0.5 315 60 130 105 165 65.5 18 140 36 475 385 45 70.5 570 M36 45 607
25-160 1020 55 85 60 16 577
NGW 102 14-22.5 1144 745 800 355 0 -0.5 355 65 150 105 200 70.5 18 161 40 525 425 50 78 645 M42 50 895
25-160 1144 60 105 65.5 18 895
NGW 112 14-22.5 1222 840 891 400 0 -0.5 400 75 170 115 200 81 20 181 40 580 480 50 73 740 M42 55 1120
25-160 1212 65 105 70.5 18 1075
NGW 122 14-22.5 1385 950 1013 450 0 -0.5 455 85 190 125 240 92 24 202 45 680 560 60 73 820 M48 60 1733
25-160 1375 75 115 81 20 1539

 

 

 

型号 规格 公称传 动比i0 外形及中心高 轴伸 地脚尺寸 质量 /kg
L B H H0 R d D l1 l2 t1 b1 t2 b2 L1 L2 L3 L0 B1 d1 h
NGW73 180-2000 973.5 535 574 250 0 -0.5 250 30 110 55 140 33 8 119 32 375 305 35 80 465 M30 40 382
NGW83 1071 590 1071 590 634 280 0 -0.5 280 35 120 55 160 38.5 10 129 32 440 350 45 86 510 M36
NGW93 1137.5 660 721 315 0 -0.5 315 40 130 70 165 43.5 12 140 36 475 385 45 70.5 570 M36 45 627
NGW103 1263 745 800 355 0 -0.5 355 45 150 70 200 49 14 161 40 525 425 50 78 645 M42 50 962
NGW113 1359.5 840 891 400 0 -0.5 400 50 170 85 200 55 16 181 40 580 480 50 73 740 M42 55 1163
NGW123 1504 950 1013 450 0 -0.5 455 55 190 85 240 60 16 202 45 680 560 60 73 820 M48 60 1756
版权所有 江苏省泰兴减速机总厂 Jiangsu TaiXing Reducer Factory. All Rights Reserved.
地址:中国江苏泰兴姚王镇泰姚北路18号 全国热线:400-799-9968 电话:0523-8551 1968
传真:0523-8575 0668 邮箱:1156815346@qq.com 网址:www.tx1983.com