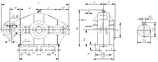
规格 |
中心尺寸 |
轮 廓 尺 寸 |
地 脚 螺 栓 |
输 入 尺 寸 |
输 出 轴 伸 |
所配电机
(机座号) |
质量
(kg) |
a1 a H0 |
H L L1 L5 L9 |
d n k L2 L3 L4 L6 L7 L8 |
D1 b1 c1 s1 M n1 d1 |
D2 t T c2 b2 |
125 |
190 125 115 |
258 455 320 200 80 |
M12 4 16 145 60 170 50 |
19 6 21.8 85 165 4 M10 |
38k6 58 150 41 10 |
80 |
60 |
145 |
225 145 130 |
291 530 390 230 92.5 |
M16 4 18 170 70 185 60 |
19 6 21.8 92 165 4 M10
24 8 27.3 |
48k6 82 185 51.5 14 |
80
90 |
88 |
175 |
275 175 165 |
367 650 470 255 117.5 |
M16 4 20 205 90 210 60 |
19 6 21.8 165 M10
24 8 27.3 110 165 4 M10
28 8 31.3 215 M12 |
60m6 105 223 64 18 |
80
90
100 |
132 |
215 |
345 215 200 |
433 790 550 290 130 |
M20 4 25 245 100 240 70 |
24 8 27.3 165 M10
28 8 31.3 125 215 4 M12
28 8 31.3 215 M12 |
75m6 105 235 79.5 20 |
90
100
112 |
200 |
255 |
400 255 230 |
493 910 630 320 150 |
M20 6 25 285 100 100 270 70 |
28 8 31.3 215
28 8 31.3 137 215 4 M12
38 10 41.3 265 |
90m6 130 275 95 25 |
100
112
132 |
300 |
300 |
460 300 280 |
585 1050 750 350 180 |
M24 6 30 345 120 120 285 80 |
28 8 31.3 215 4 M12
38 10 41.3 157 265 4 M12
42 12 45.3 300 4 M16 |
110m6 165 340 116 28 |
112
132
160 |
528 |
350 |
530 350 325 |
678 1220 860 410 200 |
M24 6 35 390 120 160 350 90 |
38 10 41.3 265 4 M12
42 12 45.3 187 300 4 M16
48 14 51.8 300 4 M16 |
130m6 200 395 139 32 |
132
160
180 |
708 |
400 |
610 400 355 |
740 1410 950 445 240 |
M24 8 40 150 120 120 385 100 290 |
42 12 45.3 300
48 14 51.8 217 300 4 M16
55 16 59.4 350 |
150m6 200 438 158 36 |
160
180
200 |
1020 |
450 |
680 450 400 |
825 1550 1100 510 270 |
M30 8 45 160 120 120 430 100 340 |
48 14 51.8 300 4
55 16 59.4 245 350 4 M16
60 18 64.4 400 8 M16 |
170m6 240 500 179 40 |
180
200
225 |
1400 |