泰兴减速机
·圆柱齿轮减速器(硬齿面减速机)系列
ZLY、ZLZ、ZLYJ硬齿面减速机
ZSY、ZSZ、ZSJ硬齿面减速机
DBY、DBZ、DBYK、DFY硬齿面减速机
DCY、DCZ硬齿面减速机
ZJY轴装式硬齿面减速机
TY同轴硬齿面减速机
CJ(Y)系列齿轮减速器
硬齿面ZSYJ系列
ZDY、ZDZ硬齿面减速机
HB系列大功率硬齿面减速机
TCJS、TCJY硬齿面减速机
TD、TA、TM硬齿面减速机
TLC系列齿轮减速器
ZFY平行轴圆柱齿轮减速器
重载模块式圆锥圆柱齿轮减速器
DFY四级硬齿面圆锥圆柱齿轮减速机
MBY、JDX系列球磨机,水泥磨,煤磨专用减速机
TC型平行轴齿轮减速器
TCS型垂直轴轴装减速器
TA系列齿轮减速器
HNK型圆弧齿轮减速机
TF、TFK圆锥、圆柱齿轮减速机
LC硬齿面减速机
DFYK系列硬齿面减速机
DCYK减速机
ZSSY系列硬齿面圆柱齿轮减速机
捏炼机用减速机
密炼机用减速机
M系列密炼机专用齿轮箱
橡塑密炼机主减速机
·圆柱齿轮减速器(中硬齿面减速机)系列
ZJ型专用齿轮减速器
ZQA中硬齿面减速机
QJR中硬齿面减速机
QJRS中硬齿面减速机
QJR-D中硬齿面减速机
QJS-D中硬齿面减速机
QJRS-D中硬齿面减速机
QJ-T中硬齿面减速机
QJS中硬齿面减速机
QJ-L中硬齿面减速机
点线啮合齿轮减速机
QJG-L 型起重减速器
QJG-T型起重减速器
·圆柱齿轮减速器(软齿面减速机)系列
ZQ、ZQH、ZQSH圆柱齿轮减速器
ZQ(JZQ)、ZQD大速比圆柱齿轮减速机
ZD圆弧齿减速机
ZSC型圆柱齿轮减速器
ZL、ZLH、ZLSH型减速机
ZS、ZSH、ZSSH型减速机
ZSC-A软齿面减速机
ZD80.ZD100人字齿圆柱齿轮
ZLC圆柱齿轮减速机
·起重用硬齿面减速机
QJ-L立式及套装式减速器
QJ-T立式及套装式减速器
QY型起重机用硬齿面减速器
QJRS-D起重机用减速机
QJY、QJYX起重用减速机
QJS起重用减速机
QYD起重用减速机
QJYD起重用减速机
QJR起用减速机
QJR-D起用减速机
QJRS起重机用减速机
QJS-D起用减速机
·行星齿轮减速机系列
辊道马达减速器
XX型回转行星齿轮减速机
NGW-QJ型行星齿轮减速器
NGW-S型行星齿轮减速器(三级)
NGW-S型行星齿轮减速器(两级)
NGW-L型行星齿轮减速器(两级)
NGW-L型行星齿轮减速器(单级)
三级(NGW73-NGW123)行星齿轮
两级(NGW42-NGW122)行星齿轮
单级(NGW11-NGW121)行星齿轮
MB行星摩擦式机械无级变速机
P系列行星齿轮减速机
PL系列精密行星减速机
PS系列精密行星减速机
WPL系列直角型精密行星减速机
WPS系列直角型精密行星减速机
NAD行星齿轮减速机
NAF行星齿轮减速机
NBD行星齿轮减速机
NBF行星齿轮减速机
NBZD行星齿轮减速机
NBZF行星齿轮减速机
NCD行星齿轮减速机
NCF行星齿轮减速机
NCZD行星齿轮减速机
NCZF行星齿轮减速机
NGW行星齿轮减速器
新一代NGW行星齿轮减速器
NAZD行星减速器
NAZF行星齿轮减速机
TPB模块化行星减速机
新一代TSB、TMB行星减速机
·三合一齿轮减速机系列
QS、QSC、QSS、QSE三合一齿轮减速器
·星轮减速机(HJW、HJL、HJY、HNW、HNL、HNY)系列
HJL星轮减速机
HJW星轮减速机
HJY星轮减速机
HNL星轮减速机
HNW星轮减速机
HNY星轮减速机
·摆线针轮减速机系列
BW、BWY型摆线针轮减速机
BWE、BWEY型摆线针轮减速机
BL、BLY型摆线针轮减速机
BLE、BLEY型摆线针轮减速机
X.B系列摆线针轮减速机
单级BWD型摆线针轮减速机
单级BLD型摆线针轮减速机
单级XWD型摆线针轮减速机
单级XLD型摆线针轮减速机
双级XWED型摆线针轮减速机
WB-W、WB-WD单级卧式减速机
WB-L、WB-LD型单级立式减速机
8000系列BWXW脚板式卧装双轴
8000系列BWEDXWED脚板式卧装双级
8000系列BLXL法兰式立装双轴型
8000系列BLDXLD法兰式立装
8000系列BLED法兰式立装双级
9000系列摆线针轮减速机
8000系列摆线针轮减速机
X系列摆线针轮减速机
B系列摆线针轮减速机
·TW、TWC系列轴装式减速机
TW、TWC系列轴装式减速机
·TZ系列立式粮油机械用减速机
TZ型三级立式齿轮减速机
·电动滚筒系列
TDY75型油冷式电动滚筒
改向滚筒
YZ型油冷摆线针轮电动滚筒
YZWI,YDWI型外装式电动滚筒
YZWII,YDWII型外装式电动滚筒
YDB型隔爆油冷式电动滚筒
YD TN型油冷式电动滚筒
JA TN型油浸式电动滚筒
YDY1型油冷式移动式电动滚筒
YJ B TN型油冷(油浸)摆线电动滚筒
JZTN型大功率油浸式摆线电动滚筒
外置式电动滚筒
· 蜗轮蜗杆减速机系列
CWU圆弧齿蜗轮减速机
CWS圆弧齿蜗轮减速机
CWO圆弧齿蜗轮减速机
WHX圆弧齿蜗轮减速机
WHS圆弧齿蜗轮减速机
WHC圆柱蜗杆减速机
CW圆弧圆柱蜗轮减速机
双级FCEDKA型蜗轮减速机
双级FCEWDA型蜗轮减速机
单级标准FCDS型蜗轮减速机
单级FCW系列蜗轮减速机
单级FCDKZ型蜗轮减速机
单级FCWZ型蜗轮减速机
WD型圆柱蜗杆减速机
WS圆柱蜗杆减速机
WXJ圆柱蜗轮蜗杆减速机
WCJ圆柱蜗轮蜗杆减速机
WSJ圆柱蜗轮蜗杆减速机
WHT圆弧齿蜗轮减速机
LCW立式圆弧圆柱蜗杆减速器
SCWO轴装式圆弧圆柱蜗杆减速器
SCWS轴装式圆弧圆柱蜗杆减速器
SCWU轴装式圆弧圆柱蜗杆减速器
M型圆柱蜗杆减速器
RV系列铝合金蜗轮蜗杆减速机
铝合金壳单级FCN系列
铝合金壳双级FCFN系列
铝壳双级FCND/PC组合
铝合金壳无级蜗轮系列
铝合金壳单级FCPDK
铝合金壳单级FCPK
英制蜗轮减速机
GCWS圆弧圆柱双极蜗杆减速器
·WP系列蜗轮减速机
WPA蜗轮减速机
WPS蜗轮减速机
WPDA蜗轮减速机
WPDS蜗轮减速机
WPDX蜗轮减速机
WPDO蜗轮减速机
WPKA蜗轮减速机
WPKS蜗轮减速机
WPDKA蜗轮减速机
WPDKS蜗轮减速机
WPW蜗轮减速机
WPWA蜗轮减速机
WPWS蜗轮减速机
·平面包络环面蜗杆减速机
TPA平面包络环面蜗杆减速器
TPS平面包络环面蜗杆减速器
TPU平面包络环面蜗杆减速器
TPG平面包络环面蜗杆减速器
·平面二次包络环面蜗杆减速机
PWU平面二次包络环面蜗杆减速机
PWO平面二次包络环面蜗杆减速机
PWS平面二次包络环面蜗杆减速机
·K系列减速机
K系列螺旋锥齿轮减速机
·R系列减速机
R系列斜齿轮硬齿面减速机
·S系列减速机
S系列斜齿轮-蜗杆减速机
·F系列减速机
F系列平行轴斜齿轮减速机
·三环减速机系列
QTR型三环减速机
TR型三环减速机
GTSH三环减速机
SHD型减速器
SH型减速器
MSH型减速器
TRC三环减速机
SHS型减速器
LLSH型减速器
SHCⅠ型减速器
SHCⅡ型减速机
SHT型减速器外形尺寸
QSH 型减速器
QXSH型减速器
SHL 型减速器
SHLD型减速器
SHZ型减速器
SHLDK型减速器
SHDK型减速器
SHCD型三环减速机
国家高新产品SHZ型三环减速机
LSHZ型三环减速机
SHCZP型三环减速机
打桩机用zzsh三环减速机
·丝杆升降机
SWL-I丝杆升降机
SWL-II丝杆升降机
SWLD-I丝杆升降机
SWLD-II丝杆升降机
SWLE-I丝杆升降机
SWLED-I丝杆升降机
SWLED-II丝杆升降机
SWLE-II丝杆升降机
·特殊齿轮减速机
塑料挤出机专用减速机CJS型
塑料挤出机专用减速机ZLYJ系列
G系列全封闭齿轮减速机
SPJ-800型矿用减速机
YTC型系列齿轮减速三相异步电动机
G系列小型齿轮减速机
KS系列螺旋伞齿轮减速马达
YTC齿轮减速电机
T系列螺旋伞齿轮转向器
HXK系列斜齿轮-锥齿轮减速机
HXS系列斜齿轮-蜗轮减速电机
YTSP系列变频调速三相异步电动机
YG系列辊道用三相异步电动机
·斜齿轮减速电机
YCJ系列斜齿轮减速电机
HXR系列斜齿轮减速电机
HXF系列平行轴斜齿轮减速电机
HXA系列斜齿轮减速机
K系列斜齿轮减速电机
S系列斜齿轮-蜗轮蜗杆减速电机
R系列斜齿轮减速电机
P系列平行轴斜齿轮减速电机
·棘轮棘爪硬齿面减速机
A850减速机
A1000减速机
A1570减速机
J331-A1960减速机
·M系列重载型减速机
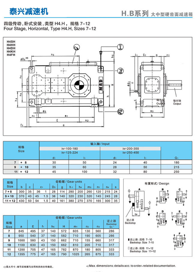
H.B系列大中型硬齿面减速箱
重载模块式圆锥圆柱齿轮减速器
·其它系列减速机
混凝土搅拌减速机
HPW25B-39/3.9-25.6减速机
筑路机械专用TIT减速机
砖机专用ZSS减速机
JDX磨机减速机
销售热线:0523-8551 1968
产品名称
:H.B系列大中型硬齿面减速
产品类别
:M系列重载型减速机
产品型号
:
产品概述:
版权所有 江苏省泰兴减速机总厂 Jiangsu TaiXing Reducer Factory. All Rights Reserved.
地址:中国江苏泰兴姚王镇泰姚北路18号 全国热线:400-799-9968 电话:0523-8551 1968
传真:0523-8575 0668 邮箱:1156815346@qq.com 网址:www.tx1983.com