本公司生产近30类,计140多种搅拌器,从最常见的(包括已有的HB5标准,SB90标准各种搅拌器)到各种复杂形状或特殊用途的搅拌器。可按H/T2123-91标准的各种规格尺寸系列制造,也可根据用户生产工艺需求,代为设计制造各种特殊要求、特殊规格或特殊用途的搅拌器。
搅拌器型号标注方法:
 |
|
| 材料代号 |
| 搅拌器轴孔径 |
| 搅拌器的外径, |
| 搅拌器型式代号 |
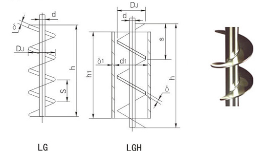
螺杆式搅拌器
螺杆式-LG、带导流筒螺杆式-LGH
此类搅拌器为慢速型搅拌器,在层流区操作,液体沿着螺旋面上升或下降形成轴向的上下循环,适用于中高粘度液的混合和传热等过程,螺杆式搅拌直径小、轴向推力大,可偏心放置,桨叶离槽壁的距离<1/20DJ,槽壁可挡板作用,螺杆带上导流筒,轴向流动加强,在导流筒内外形成向下向上的循环。常用介质粘μ<105cP,常用运转速度n=0.5-50rpm,v<1m/s。

螺杆式、带导流筒螺杆式搅拌主要参数
| DJ |
d |
s |
δ |
h |
h1 |
d1 |
δ1 |
重量(kg) |
| LG |
KGH |
| 80 |
30 |
80 |
2 |
200 |
160 |
88 |
2 |
1.297 |
2.054 |
| 100 |
40 |
100 |
2 |
250 |
200 |
110 |
2 |
2.752 |
3.936 |
| 125 |
45 |
125 |
3 |
310 |
250 |
150 |
2 |
4.585 |
6.435 |
| 160 |
50 |
160 |
3 |
400 |
320 |
190 |
2 |
7.355 |
10.39 |
| 180 |
55 |
180 |
4 |
450 |
360 |
215 |
3 |
10.41 |
16.16 |
| 200 |
60 |
200 |
4 |
500 |
400 |
240 |
3 |
13.59 |
20.7 |
| 220 |
65 |
220 |
6 |
550 |
440 |
260 |
3 |
18.88 |
27.47 |
| 250 |
70 |
250 |
6 |
620 |
500 |
300 |
4 |
24.83 |
39.63 |
| 280 |
75 |
280 |
8 |
700 |
560 |
330 |
4 |
34.32 |
52.88 |
| 320 |
80 |
320 |
8 |
800 |
640 |
380 |
4 |
44.85 |
69.1 |
| 360 |
90 |
360 |
10 |
900 |
720 |
430 |
6 |
45.96 |
112 |
| 400 |
100 |
400 |
10 |
1000 |
800 |
480 |
6 |
87.60 |
144.4 |
| 450 |
110 |
450 |
12 |
1120 |
900 |
540 |
6 |
123.5 |
195.4 |
| 500 |
120 |
500 |
12 |
1250 |
1000 |
600 |
8 |
159.4 |
277.7 |
| 560 |
130 |
560 |
14 |
1400 |
1120 |
670 |
8 |
218 |
366.5 |
| 630 |
140 |
630 |
14 |
1570 |
1260 |
750 |
8 |
282.2 |
470.1 |
| 710 |
150 |
710 |
16 |
1770 |
1420 |
850 |
10 |
380.4 |
678.8 |
| 800 |
160 |
800 |
16 |
2000 |
1600 |
960 |
10 |
487.2 |
866.0 |
备注 :重量包括h高度内轴的重量,用户可根据需要确定桨高。
|