本公司生产近30类,计140多种搅拌器,从最常见的(包括已有的HB5标准,SB90标准各种搅拌器)到各种复杂形状或特殊用途的搅拌器。可按H/T2123-91标准的各种规格尺寸系列制造,也可根据用户生产工艺需求,代为设计制造各种特殊要求、特殊规格或特殊用途的搅拌器。
搅拌器型号标注方法:
 |
|
| 材料代号 |
| 搅拌器轴孔径 |
| 搅拌器的外径, |
| 搅拌器型式代号 |
消泡搅拌器
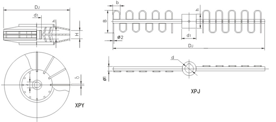
消泡叶轮XPY、消泡桨XPJ
此类搅拌器为特殊用途的搅拌器,都是为消除液面上覆盖的大量泡沫而用。消泡叶轮为高速型,其高速旋转下产生的离心作用,使从中心吸进的泡沫,沿壁面汇成液珠抛出,消泡效果好,消耗功率大,叶轮制作要求高n=500-1500rpm,μ<2000cP。消泡桨为中低速型,旋转蛇形栅条桨,反复碰撞、搅破液面上的气泡,不断破坏生成的气泡,控制了泡沫的增加,发酵罐应用广泛、效果良好,附装在搅拌轴上部、制造、安装简易。n=60-300rpm,M<2000cP。

消泡叶轮主要参数
| DJ |
d |
d 1 |
h |
H |
δ |
重量 |
| 200 |
40 |
75 |
75 |
40 |
3 |
4.819 |
| 220 |
45 |
80 |
80 |
55 |
3 |
5.751 |
| 250 |
50 |
85 |
85 |
63 |
4 |
8.645 |
| 280 |
55 |
90 |
90 |
70 |
4 |
10.55 |
| 320 |
60 |
100 |
100 |
80 |
4 |
14.05 |
| 360 |
65 |
105 |
105 |
90 |
5 |
20.59 |
| 400 |
70 |
110 |
110 |
100 |
5 |
24.61 |
| 450 |
75 |
120 |
120 |
112 |
5 |
31.46 |
| 500 |
80 |
130 |
130 |
125 |
6 |
45.41 |
| 560 |
85 |
140 |
140 |
140 |
6 |
57.08 |
| 630 |
90 |
150 |
150 |
168 |
6 |
72.05 |
| 710 |
100 |
160 |
160 |
178 |
8 |
114.8 |
| 800 |
110 |
180 |
180 |
200 |
8 |
148.8 |
| 900 |
120 |
190 |
190 |
225 |
10 |
225.2 |
| 1000 |
130 |
200 |
200 |
250 |
10 |
275.1 |
消泡桨主要参数
| DJ |
d |
d1 |
h |
φ1 |
φ2 |
B |
b |
重量 |
| 470 |
40 |
75 |
75 |
18 |
4 |
75 |
35 |
2.453 |
| 570 |
45 |
80 |
80 |
18 |
4 |
90 |
35 |
2.916 |
| 660 |
50 |
85 |
85 |
25 |
4 |
105 |
40 |
3.615 |
| 760 |
55 |
90 |
90 |
25 |
6 |
120 |
40 |
4.605 |
| 850 |
60 |
100 |
100 |
32 |
6 |
135 |
50 |
6.498 |
| 950 |
65 |
105 |
105 |
32 |
6 |
150 |
50 |
7.523 |
| 1140 |
70 |
110 |
110 |
38 |
8 |
180 |
60 |
10.10 |
| 1340 |
80 |
130 |
130 |
38 |
8 |
210 |
60 |
14.71 |
| 1530 |
90 |
180 |
180 |
45 |
8 |
240 |
70 |
20.97 |
| 1730 |
100 |
160 |
160 |
45 |
10 |
270 |
70 |
26.49 |
| 1930 |
110 |
180 |
180 |
54 |
10 |
300 |
80 |
36.99 |
| 2120 |
120 |
190 |
190 |
54 |
10 |
330 |
80 |
42.22 |
| 2320 |
130 |
200 |
200 |
60 |
12 |
360 |
90 |
51.11 |
| 2520 |
140 |
210 |
210 |
70 |
12 |
390 |
90 |
60.91 |
| 2710 |
150 |
220 |
220 |
76 |
14 |
420 |
100 |
72.95 |
| 3050 |
160 |
240 |
240 |
89 |
14 |
470 |
100 |
98.39 |
| 3440 |
170 |
250 |
250 |
108 |
16 |
530 |
100 |
127.1 |
备注:搅拌器内孔可根据用户要求制作,轮毂高度一般与内孔相一致。
|