本公司生产近30类,计140多种搅拌器,从最常见的(包括已有的HB5标准,SB90标准各种搅拌器)到各种复杂形状或特殊用途的搅拌器。可按H/T2123-91标准的各种规格尺寸系列制造,也可根据用户生产工艺需求,代为设计制造各种特殊要求、特殊规格或特殊用途的搅拌器。
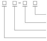
搅拌器型号标注方法:
 |
|
| 材料代号 |
| 搅拌器轴孔径 |
| 搅拌器的外径, |
| 搅拌器型式代号 |
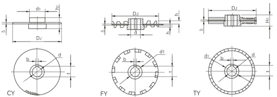
齿形圆盘涡轮式搅拌器
平齿形圆盘涡轮式CY、翻齿形圆盘涡轮式FY、贴齿形圆盘涡轮式TY
圆盘外缘呈锯齿形,高速旋转下剪切性能很高。循环能力相对弱,分散、粉碎、剥离作用强烈,两相物性差民大的分散混合很适用,如涂料的节散过程。平齿形为一层水平的锯齿,翻齿形和贴齿形为上下两向立式锯齿,前者为齿和圆盘一体冲成上下翻出,齿粗疏,后者为两过锯齿条焊于圆盘外缘,齿细密。常用介质粘度μ<50000cp,常用运转速度n=100-1000rpm,v=5-20m/s,常用尺寸DJ/D=0.2-0.5。

齿形圆盘涡轮式搅拌器主要尺寸
| DJ |
d |
d1 |
h1 |
h |
键槽 |
δ(不锈钢/碳钢) |
重量(kg)不锈钢/碳钢 |
| b |
t |
| 100 |
14 |
- |
- |
10 |
- |
- |
2/3 |
0.124/0.185 |
| 125 |
16 |
- |
- |
13 |
- |
- |
2/3 |
0.194/0.289 |
| 160 |
18 |
- |
- |
16 |
- |
- |
2/3 |
0.318/0.473 |
| 180 |
20 |
- |
- |
18 |
- |
- |
2/3 |
0.402/0.599 |
| 200 |
25 |
- |
- |
20 |
- |
- |
2/3 |
0.496/0.74 |
| 220 |
25 |
- |
- |
22 |
- |
- |
2/3 |
0.601/0.895 |
| 250 |
30 |
- |
- |
25 |
- |
- |
2/3 |
0.776/1.156 |
| 280 |
30 |
60 |
60 |
28 |
8 |
33.3 |
3/4 |
2.459/2.933 |
| 320 |
35 |
70 |
70 |
32 |
8 |
38.3 |
3/4 |
3.496/4.115 |
| 360 |
40 |
75 |
75 |
36 |
12 |
43.3 |
3/4 |
4.272/5.056 |
| 400 |
45 |
80 |
80 |
40 |
14 |
48.8 |
3/4 |
5.148/6.114 |
| 450 |
50 |
85 |
85 |
45 |
14 |
53.8 |
3/4 |
6.249/7.474 |
| 500 |
55 |
90 |
90 |
50 |
16 |
59.4 |
3/4 |
7.473/8.985 |
| 560 |
60 |
100 |
100 |
56 |
18 |
64.4 |
4/6 |
11.733/15.351 |
| 630 |
65 |
105 |
105 |
63 |
18 |
69.4 |
4/6 |
14.46/19.292 |
| 710 |
70 |
110 |
110 |
70 |
20 |
74.9 |
4/6 |
17.391/23.528 |
| 800 |
75 |
120 |
120 |
80 |
20 |
79.9 |
4/6 |
22.374/30.165 |
| 900 |
80 |
130 |
130 |
80 |
22 |
85.4 |
5/6 |
33.548/38.784 |
| 1000 |
90 |
150 |
150 |
100 |
25 |
95.4 |
5/6 |
44.343/44.353 |
备注:搅拌器内孔可根据用户要求制作,轮毂高度一般与内孔相一致。
|