506、516型碳钢填料箱(PN0.6) (HG21537.1-92) (PN0.6、PN1.6) (HG21537.7-92)
606、616型不锈钢填料箱(PN0.6) (HG21537.2-92) (PN0.6、PN1.6) (HG21537.8-92)
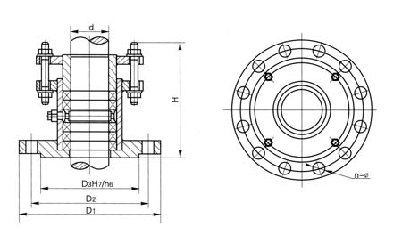
本系列填料适用于设计压力为与PN-0.03~0.6MPa,与PN-0303~1.6MPa设计温度-20~300℃为搅拌轴的密封,对于PN1.6MPa这一档宜采用膨胀聚四氟乙烯,柔性石墨、碳纤维芳纶等高性能填料,并最好采用环型填料,PN0.6MPa为5个填料环,PN1.6MPa为7个填料环。

齿形圆盘涡轮式搅拌器主要尺寸
d |
30,35,40 |
45,50,55 |
60,65,70 |
75,80,85 |
90,95,100 |
110 |
120,125,130 |
140,150,160 |
180,200 |
D |
175 |
240 |
240 |
275 |
305 |
330 |
330 |
395 |
440 |
D |
145 |
210 |
210 |
240 |
270 |
295 |
295 |
350 |
395 |
D |
110 |
176 |
176 |
204 |
234 |
260 |
260 |
313 |
369 |
H |
PN0.6 |
147 |
156 |
176 |
234 |
234 |
234 |
268 |
248 |
248 |
PN1.6 |
167 |
176 |
202 |
266 |
266 |
266 |
308 |
308 |
308 |
n-Ф |
4-Ф18 |
8-Ф18 |
8-Ф18 |
8-Ф22 |
8-Ф22 |
8-Ф22 |
8-Ф22 |
12-Ф88 |
12-Ф22 |
填料尺寸 |
10×10 |
10×10 |
13×13 |
16×16 |
16×16 |
16×16 |
20×20 |
20×20 |
20×20 |
重量 |
PN0.6 |
6.8 |
16.4 |
18.2 |
23.2 |
31.4 |
37 |
47.9 |
55.5 |
72 |
PN1.6 |
7.5 |
18.3 |
20.5 |
26.4 |
34.6 |
41 |
53.8 |
62 |
80 |
|