本系列填料箱适用于≤0.6MPa,设计温度≤100℃,转轴线速度<2m/s,其特点为填料函部分在安装法兰下面,能缩短安装空间。

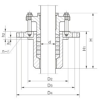
401、402型填料箱主要尺寸
d |
D4 |
D3 |
D2 |
h1 |
h2 |
H1 |
H |
n-Ф |
重量 |
25,30 |
185 |
150 |
116 |
4 |
23 |
109 |
172 |
4-Ф18 |
11 |
35,40,45 |
205 |
170 |
135 |
4.5 |
23.5 |
109 |
172 |
4-Ф18 |
17 |
50,55,60,65 |
235 |
200 |
164 |
4.5 |
26 |
136 |
209 |
8-Ф18 |
18 |
70,75,80,85 |
260 |
225 |
188 |
4.5 |
26 |
136 |
209 |
8-Ф18 |
21 |
90,95,100 |
290 |
255 |
217 |
4.5 |
28 |
163 |
247 |
8-Ф18 |
33 |
110,120,125 |
315 |
280 |
245 |
4.5 |
28 |
163 |
247 |
8-Ф18 |
37 |
130,140 |
340 |
305 |
271 |
6 |
32 |
175 |
260 |
8-Ф18 |
41 |
150,160 |
395 |
350 |
219 |
6 |
32 |
175 |
260 |
12-Ф22 |
50 |
180,200 |
445 |
400 |
270 |
6 |
32 |
175 |
260 |
12-Ф22 |
61 |
|