泰兴减速机

 
泰兴减速机
·圆柱齿轮减速器(硬齿面减速机)系列
 ZLY、ZLZ、ZLYJ硬齿面减速机
 ZSY、ZSZ、ZSJ硬齿面减速机
 DBY、DBZ、DBYK、DFY硬齿面减速机
 DCY、DCZ硬齿面减速机
 ZJY轴装式硬齿面减速机
 TY同轴硬齿面减速机
 CJ(Y)系列齿轮减速器
 硬齿面ZSYJ系列
 ZDY、ZDZ硬齿面减速机
 HB系列大功率硬齿面减速机
 TCJS、TCJY硬齿面减速机
 TD、TA、TM硬齿面减速机
 TLC系列齿轮减速器
 ZFY平行轴圆柱齿轮减速器
 重载模块式圆锥圆柱齿轮减速器
 DFY四级硬齿面圆锥圆柱齿轮减速机
 MBY、JDX系列球磨机,水泥磨,煤磨专用减速机
 TC型平行轴齿轮减速器
 TCS型垂直轴轴装减速器
 TA系列齿轮减速器
 HNK型圆弧齿轮减速机
 TF、TFK圆锥、圆柱齿轮减速机
 LC硬齿面减速机
 DFYK系列硬齿面减速机
 DCYK减速机
 ZSSY系列硬齿面圆柱齿轮减速机
 捏炼机用减速机
 密炼机用减速机
 M系列密炼机专用齿轮箱
 橡塑密炼机主减速机
·圆柱齿轮减速器(中硬齿面减速机)系列
·圆柱齿轮减速器(软齿面减速机)系列
·行星齿轮减速机系列
·三合一齿轮减速机系列
·星轮减速机(HJW、HJL、HJY、HNW、HNL、HNY)系列
·摆线针轮减速机系列
·轴装式减速机
·TZ系列立式粮油机械用减速机
·电动滚筒系列
· 蜗轮蜗杆减速机系列
·WP系列蜗轮减速机
·平面包络环面蜗杆减速机
·平面二次包络环面蜗杆减速机
·K系列减速机
·R系列减速机
·S系列减速机
·F系列减速机
·三环减速机系列
·丝杆升降机
·特殊齿轮减速机
·斜齿轮减速电机
·棘轮棘爪硬齿面减速机
·M系列重载型减速机
·其它系列减速机
销售热线:0523-8551 1968
 
 
产品名称:2000系列机械密封(HG21571-95)
产品类别:立式化工搅拌设备
产品型号

查看产品图纸尺寸

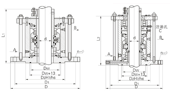
2000系列机械密封可与XD、XS型机架及AD安装底盖配套使用,2001、2002型使用压力<MPa,2003~2007型使用压力<1.6MPa,密封腔温度≤80℃,最大线速度<m/s,适用于各种弱腐蚀性气体。2002H、2005H为带废液收集器,2002K、2005K为带侧冷却水套型。通常2006型可用于2004型代用,2007型可用2006型代用。
2001~2005型安装尺寸

d
30~40
45~55
60~70
75~85
90~100
110~130
140~180
D
175
240
240
275
305
330
395
D1
145
210
210
240
270
295
350
D2
110
176
176
204
234
260

313

85
140
140
180
200
220
270
n-Φ
4-Φ18
8-Φ18
8-Φ18
8-Φ22
8-Φ22
8-Φ22
12-Φ22
L1
148
160
160
170
180
200
205
L2
215
230
260
280
280
305
310

2006、2007型机械密封安装尺寸

d
30~40 45~55 60~70
75~85
90~100
110~130
140~160
D
200
240
255
295
305
330
395
D1
170
210
225
260
270
295
350
D2
130
176
176
204
234
260
313
100
140
140
180
200
220
270
n-Φ
4-Φ18
8-Φ18
8-Φ18
8-Φ22
8-Φ22
8-Φ22
12-Φ22
L1
160
170
170
180
180
200
205
L2
215
230
260
280
280
305
310

版权所有 江苏省泰兴减速机总厂 Jiangsu TaiXing Reducer Factory. All Rights Reserved.
地址:中国江苏泰兴姚王镇泰姚北路18号 全国热线:400-799-9968 电话:0523-8551 1968
传真:0523-8575 0668 邮箱:1156815346@qq.com 网址:www.tx1983.com