|
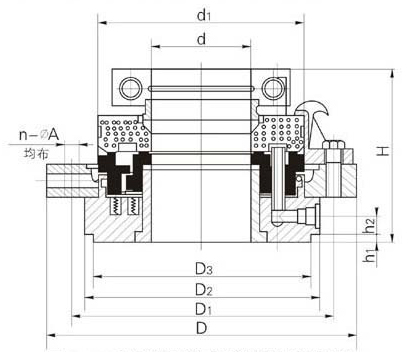
图7-5 221型径向双端面耐腐蚀釜用机械密封
结构:径向双端面、小弹簧、传动销传动
压力:≤1MPa
温度:0-120℃
轴径:≤500转/分
适用介质:腐蚀性介质,密封泄漏要求较高的场合
221型径向双端面耐腐蚀釜用机械密封标
符号 |
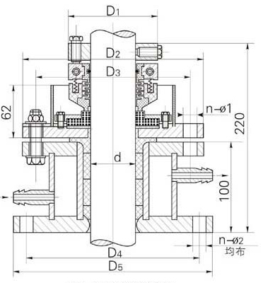
d |
d1 |
D |
D1 |
D2 |
D3 |
h1 |
h2 |
H |
n-ΦA |
|
轴径
|
40 |
106 |
185 |
145 |
122 |
109 |
4 |
13 |
110 |
4-Φ18 |
50 |
116 |
220 |
180 |
158 |
149 |
4 |
13 |
119 |
8-Φ18 |
65 |
136 |
250 |
210 |
188 |
175 |
5 |
15 |
137 |
8-Φ18 |
80 |
164 |
250 |
210 |
188 |
175 |
5 |
15 |
137 |
8-Φ18 |
95 |
184 |
285 |
240 |
212 |
203 |
5 |
15 |
137 |
8-Φ18 |
110 |
210 |
340 |
285 |
268 |
259 |
6 |
17 |
146 |
8-Φ22 |
125 |
235 |
340 |
295 |
268 |
259 |
6 |
17 |
146 |
8-Φ22 |
140 |
250 |
395 |
350 |
324 |
335 |
6 |
17 |
146 |
12-Φ22 |
|